|
一、概述
该型手动润滑泵是一种由人力扳动手柄,排出润滑脂的小型单线润滑泵,可直接安装于机器的壁板或机架上,直接与单线分配器连接组成单线手动集中润滑系统。
适用于润滑频率较低(一般给油间隔为4小时以上),配管(DN15)长度不超过50米,润滑点不超过100点的单机小型设备上,作为单线集中润滑供送润滑脂的输送装置。
二、技术参数
|
 |
|
|
形式
|
公称压力Mpa
|
给油量ml/循环
|
贮油容量L
|
重量kg
|
适用介质
|
|
KMPS-221
|
21
|
4.5
|
2
|
16
|
润滑脂
NLGO0#-1#
|
|
KMPS-231
|
3
|
20
|
|
KMPS-261
|
6
|
23
|
|
KMPS-221L
|
10
|
4.5
|
2
|
16
|
润滑油
|
|
| |
| 三、工作原理 |
|
手动润滑泵是借人工摆动手把,通过齿轮带动齿条活塞往复运动实现向外供油的,当活塞处于图示极限位置时,润滑脂通过吸入口吸入并充满活塞的右腔,当活塞向右移动时,被吸入的润滑脂在油压的作用下顶开单向阀压送至出口向外排出,当系统中主分配器的一计量油口返回至回油指示器的油量达到3.2mL时,指示杆全部伸出,证明系统所有润滑点已得到所需的润滑油量,此时停止操作手把并把指示杆向内压进,为下循环准备,指示器内的润滑脂经单向阀返回贮油桶内。
|
|
|
|
四、操作方法
1、将回油指示器的指示杆推进。
2、摆动手柄前后运动,压力表指针波动变化,证明系统分配器在进行给油动作。
3、回油指示器的指示杆全部伸出,证明系统分配器已完成一个给油润滑循环。
4、将回油指示器的指示杆推进,为下一个循环作准备。
|
| 五、型号说明 |
 |
| |
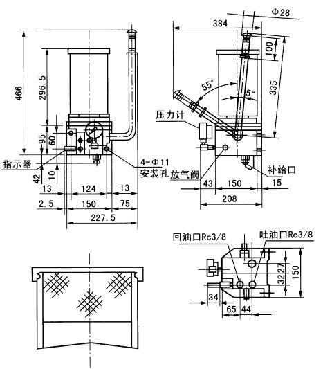
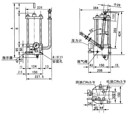
| 六、外形尺寸 |
 |
 |
六、使用说明
1、手动润滑泵应垂直安装,泵的上方及周围要留有指示杆上升及补脂操作的空间。需在室外或环境恶劣的场合安装时,应将泵置于防护罩内。
2、贮油器内无润滑脂时,不许操纵手柄,至下油位应及时补脂。
3、向贮油器内补脂,必须使用手动或电动补脂泵从补脂口充填。
4、安全阀出厂已调至公称压力,无故不许随意调节。
5、泵上回油指示器的作用是操作者通过观察指示器活塞指示杆的运动行程,就可知道润滑系统的供油状况。使用时,先计算好各润滑部位所需的给油量,配置分配器,并把主分配器上多设的一个出油口与手动润滑泵的回油口接通,使润滑脂返回到指示器中,如返回的油量累计达到3.28mL,则指示器的活塞指示杆全部伸出,表示各润滑点已根据需要完成一个周期的给油,应停止供油并把回油指示器的指示杆推进。 |
| |
| 七、常见故障处理 |
|
故障现象
|
故障原因 |
排除方法 |
|
泵的输出压力升不上去
|
1.压力表损坏
2.贮油器和配管里进入空气
3.安全阀低压溢流
4.使用时间很长,柱塞与套过度磨损
5.单向阀失灵 |
1.更换压力表
2.打开排气阀排气
3.调整安全阀溢流压力
4.更换零件
5.清洗单向阀,更换弹簧 |
|
泵的输出压力急剧上升
|
1.管路阻塞
2.主分配器动作不良 |
1.检查管路
2.观察分配器动作 |
|