一、使用条件
与GLLQ型列管式冷却器相似,产品适用于冶金、矿山、轻工、电力、化工等工业部门的液压与润滑装置,将热工作油冷却到要求的温度;冷却器的设计最高温度为100℃~120℃,工作压力≤1.6MPa,传热系数为348~407w/m2.k,(若采用翅片管换热,则传热系数为523~580W/m2·k,但允许介质粘度为10~50cSt)。下面列出的LQ型冷却器则规定介质粘度为10~326cSt,主要技术参数如下表: |
| 二、型号含义 |
|
|
| 三、技术参数 |
|
型号
|
2LQFW\2LQFL
|
2LQF1W
|
2LQGW
|
|
换热面积m2
|
0.5~16
|
19~290
|
0.22~11.45
|
|
传热系数w/m2.k
|
348~407
|
|
使用温度℃
|
≤100
|
≤120
|
|
工作介质压力MPa
|
≤1.6
|
≤1.0
|
≤1.6
|
|
冷却介质压力MPa
|
≤0.8
|
≤0.5
|
≤1.0
|
|
油侧压力降MPa
|
≤0.1
|
|
介质粘度cSt
|
10~326
|
|
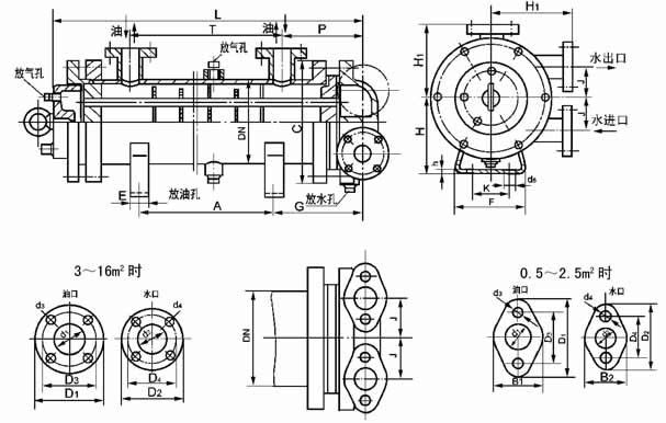
| 四、外形结构及尺寸 |
|
2LQFW 型冷却器外形尺寸图
|
|
|
|
冷却面积0.5~2.5m2时进出水口型式;
3~16m2时为上图
|
| |
|
2LQFW 型冷却器外形尺寸
|
|
型号
|
A0.5F
|
A0.65F
|
A0.8F
|
A1.0F
|
A1.2F
|
A1.46F
|
A1.7F
|
A2.1F
|
A2.5F
|
A3.0F
|
A3.6F
|
A4.3F
|
A5.0F
|
A6.0F
|
A7.2F
|
A8.5F
|
A10F
|
A12F
|
A14F
|
A16F
|
|
换热面积m2
|
0.5
|
0.65
|
0.8
|
1.0
|
1.2
|
1.46
|
1.7
|
2.1
|
2.5
|
3.0
|
3.6
|
4.3
|
5.0
|
6.0
|
7.2
|
8.5
|
10
|
12
|
14
|
16
|
|
底
部
尺
寸
|
A
K
h
E
F
d5
|
345
90
5
40
140
11
|
470
90
5
40
140
11
|
595
90
5
40
140
11
|
440
104
5
45
160
11
|
565
104
5
45
160
14
|
690
104
5
45
160
14
|
460
120
5
50
180
14
|
610
120
5
50
180
14
|
760
120
5
50
180
14
|
540
140
5
55
210
14
|
665
140
5
55
210
14
|
815
140
5
55
210
14
|
540
170
5
60
250
14
|
690
170
5
60
250
14
|
865
170
5
60
250
14
|
575
230
6
65
320
18
|
700
230
6
65
320
18
|
875
230
6
65
320
18
|
875
230
5
65
320
18
|
875
230
5
65
320
18
|
|
筒
部
尺
寸
|
DN
H
J
H1
|
114
115
42
95
|
114
115
42
95
|
114
115
42
95
|
150
140
47
115
|
150
140
47
115
|
150
140
47
115
|
186
165
52
140
|
186
165
52
140
|
186
165
52
140
|
219
200
85
200
|
219
200
85
200
|
219
200
85
200
|
245
240
95
240
|
245
240
95
240
|
245
240
95
240
|
325
280
105
280
|
325
280
105
280
|
325
280
105
280
|
325
280
105
280
|
325
280
105
280
|
|
L
G
P
T
C
|
545
100
93
357
186
|
670
100
96
482
186
|
790
100
93
607
186
|
680
115
105
460
220
|
805
115
105
585
220
|
930
115
105
710
220
|
740
140
120
500
270
|
890
140
120
650
270
|
1040
140
120
800
270
|
870
175
170
565
308
|
995
175
170
690
308
|
1145
175
170
840
308
|
920
205
190
570
340
|
1070
205
190
720
340
|
1245
205
190
895
340
|
1000
220
210
590
406
|
1125
220
210
715
406
|
1300
220
210
890
406
|
1300
220
210
890
406
|
1547
220
210
890
406
|
|
法兰尺寸
|
椭圆法兰
|
圆形法兰
|
|
法兰连接
|
油
|
d1
D1
B1
D3
d3
|
25
90
64
65
11
|
25
90
64
65
11
|
25
90
64
65
11
|
32
100
72
75
11
|
32
100
72
75
11
|
32
100
72
75
11
|
40
118
85
90
14
|
40
118
85
90
14
|
40
118
85
90
14
|
50
160
/
125
18
|
50
160
/
125
18
|
50
160
/
125
18
|
65
180
/
145
18
|
65
180
/
145
18
|
65
180
/
145
18
|
80
195
/
160
8×Φ18
|
80
195
/
160
8×Φ18
|
80
195
/
160
8×Φ18
|
80
195
/
160
8×Φ18
|
80
195
/
160
8×Φ18
|
|
水
|
d2
D2
B2
D4
d4
|
20
80
45
55
11
|
20
80
45
55
11
|
20
80
45
55
11
|
25
90
64
65
11
|
25
90
64
65
11
|
25
90
64
65
11
|
32
100
72
75
11
|
32
100
72
75
11
|
32
100
72
75
11
|
40
145
/
110
18
|
40
145
/
110
18
|
40
145
/
110
18
|
50
160
/
125
18
|
50
160
/
125
18
|
50
160
/
125
18
|
65
180
/
145
18
|
65
180
/
145
18
|
65
180
/
145
18
|
65
180
/
145
18
|
65
180
/
145
18
|
|
重量
kg
|
30
|
33
|
36
|
47
|
51
|
54
|
60
|
70
|
76
|
110
|
119
|
130
|
145
|
161
|
176
|
215
|
231
|
250
|
260
|
270
|
|