| 一、使用条件 |
| 本产品适用于公称压力为0.6MPa的稀油润滑系统中,具有清除润滑油中杂质使供给润滑点的油达到洁净的功能,小型的为整体式,较大的为组合式,分别由二组过滤筒和一个三位六通换向阀组成,工作时一筒工作,一筒备用,可实现不停车切换过滤筒,达到循环润滑系统不间断工作的目的。 |
 |
|
| 二、技术参数 |
|
型
号
|
公称
通径
DN
mm
|
公称
压力
MPa
|
过滤
面积
m2
|
运 动 粘 度 cSt
|
重量
kg
|
|
28
|
46
|
67
|
89
|
326
|
|
过 滤 精 度 mm
|
|
0.08
|
0.12
|
0.08
|
0.12
|
0.08
|
0.12
|
0.08
|
0.12
|
0.08
|
0.12
|
|
过 滤 精 度 mm
|
|
SLQ-32
|
32
|
0.6
|
0.082
|
130
|
310
|
120
|
212
|
63
|
161
|
28.5
|
68.7
|
18.7
|
48.8
|
81.7
|
|
SLQ-40
|
40
|
0.21
|
330
|
790
|
305
|
540
|
160
|
384
|
72.3
|
175
|
48
|
125
|
115
|
|
SLQ-50
|
50
|
0.31
|
485
|
1160
|
447
|
793
|
250
|
565
|
106.5
|
256
|
69
|
160
|
203.8
|
|
SLQ-65
|
65
|
0.52
|
820
|
1960
|
760
|
1340
|
400
|
955
|
180
|
434
|
106
|
250
|
288
|
|
SLQ-80
|
80
|
0.833
|
1320
|
3100
|
1200
|
2150
|
630
|
1533
|
288
|
695
|
170
|
400
|
346
|
|
SLQ-100
|
100
|
1.31
|
1990
|
4750
|
1840
|
3230
|
1000
|
2310
|
436
|
1050
|
267
|
630
|
468
|
|
SLQ-125
|
125
|
2.20
|
3340
|
8000
|
3100
|
5420
|
1680
|
3890
|
730
|
1770
|
450
|
1000
|
1038.5
|
|
SLQ-150
|
150
|
3.30
|
5000
|
12000
|
4650
|
8130
|
2520
|
5840
|
1094
|
2660
|
679
|
1600
|
1185
|
|
条 件 粘 度 OE
|
4
|
6.3
|
9
|
12
|
44
|
|
|
| 三、外形结构 |
|
|
|
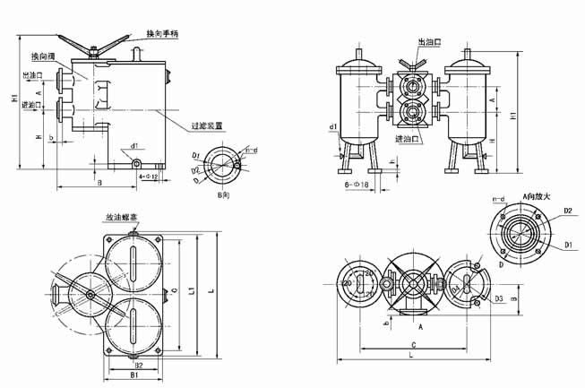
SLQ-32,SLQ-40双筒网式过滤器(整体式) DN≥50的SLQ型双筒网式过滤器(组合式)
|
| 四、外形尺寸 |
|
型号
|
公称通径DN
|
A
|
B
|
B1
|
B2
|
C
|
d1
|
D3
|
D4
|
H
|
|
SLQ-32
|
32
|
140
|
250
|
186
|
154
|
344
|
G3/8"
|
-
|
-
|
145
|
|
SLQ-40
|
40
|
165
|
265
|
222
|
184
|
410
|
-
|
-
|
180
|
|
SLQ-50
|
50
|
190
|
165
|
-
|
-
|
693
|
G1/2"
|
330
|
280
|
355
|
|
SLQ-65
|
65
|
200
|
170
|
-
|
-
|
713
|
374
|
300
|
395
|
|
SLQ-80
|
80
|
220
|
202
|
-
|
-
|
830
|
G3/4"
|
374
|
320
|
500
|
|
SLQ-100
|
100
|
250
|
202
|
-
|
-
|
895
|
442
|
400
|
610
|
|
SLQ-125
|
125
|
260
|
240
|
-
|
-
|
1200
|
G1"
|
755
|
600
|
640
|
|
SLQ-150
|
150
|
300
|
240
|
-
|
-
|
1200
|
755
|
600
|
860
|
|
|
续上表
|
|
型号
|
H1
|
L
|
L1
|
h
|
时出油口连接法兰尺寸
|
|
|
D1
|
D2
|
b
|
d
|
n
|
|
SLQ-32
|
440
|
397
|
386
|
20
|
135
|
100
|
78
|
18
|
18
|
4
|
|
SLQ-40
|
515
|
480
|
447
|
145
|
110
|
85
|
|
SLQ-50
|
800
|
1023
|
-
|
160
|
125
|
100
|
20
|
|
SLQ-65
|
860
|
1097
|
-
|
180
|
145
|
120
|
|
SLQ-80
|
990
|
1202
|
-
|
195
|
160
|
135
|
22
|
8
|
|
SLQ-100
|
1190
|
1337
|
-
|
215
|
180
|
155
|
|
SLQ-125
|
1270
|
1955
|
-
|
30
|
245
|
210
|
185
|
24
|
|
SLQ-150
|
1530
|
1955
|
-
|
280
|
240
|
210
|
23
|
|
| 五、型号标注说明 |
 |
| 六、工作原理 |
1、本型式过滤器由一六通换向阀及二组过滤装置组成,置于油泵出口及冷却器前端,正常工作时,一组过滤装置启用,另一组被换向阀封闭备用。
2、阀片式六通换向阀为手动,工作过程中,截止备用过滤装置连通工作中的过滤装置,阀上部有通、止标记,在工作压力≤6kgf/cm2可不停机换向。
3、过滤装置为二组,一组工作,一组备用。在工作中过滤装置需要维修清洗时,可启动另一组备用过滤装置投入工作,而不影响主机正常工作。
4、系统图 |
|
|
| 七、使用说明 |
1、当过滤器的进出口压力差≥0.5kgf/cm2时,说明过滤装置中的滤芯已被机械杂质阻塞,应及时清洗或更换滤芯,同时也应清洗筒体。
2、在正常工作时过滤器的进出口压差应≤0.035MPa。
八、订货须知
订货时必须注明所需的过滤精度值,不注明的均按0.12mm供货。 |