|
一、概述
KJ、KM、KL系列单线递进式分配器,适用于润滑点密集、耗脂量不同,给油频繁单线集中润滑系统中,组成子母式分配系统实现分区控制进行润滑的场合。
KJ、KM、KL系列单线递进式分配器,它由中碳合金结构钢制造的供给体、端部体和3~8片根据设计需要所确定的给油量和出油口数的中间体组合而成。分配器的正常出口设置于分配器的两侧面,在上面还设置有预备出口,各中间体的出油口内均装有止回阀,能彻底防止因润滑点背压作用而产生润滑脂的逆流,保证了各出油口的给油量定量、准确。
|
|
|
| 二、技术参数 |
|
|
型式
|
KJ
|
|
活塞种类
|
5T
|
5S
|
10T
|
10S
|
15T
|
15S
|
10T
|
|
给油量ml/循环
|
0.082
|
0.164
|
0.164
|
0.328
|
0.246
|
0.492
|
0.164
|
|
出油口数
|
2
|
1
|
2
|
1
|
2
|
1
|
2
|
|
最高压力
|
14Mpa 7Mpa
|
|
型式
|
KM
|
|
活塞种类
|
10S
|
15T
|
15S
|
20T
|
20S
|
25T
|
25S
|
30T
|
30S
|
35T
|
35S
|
|
给油量ml/循环
|
0.328
|
0.246
|
0.492
|
0.328
|
0.656
|
0.413
|
0.820
|
0.492
|
0.984
|
0.574
|
1.148
|
|
出油口数
|
1
|
2
|
1
|
2
|
1
|
2
|
1
|
2
|
1
|
2
|
1
|
|
最高压力
|
21Mpa 10Mpa
|
|
型式
|
KL
|
|
活塞种类
|
25T
|
25S
|
50T
|
50S
|
75T
|
75S
|
100T
|
100S
|
125T
|
125S
|
150T
|
150S
|
|
给油量ml/循环
|
0.410
|
0.820
|
0.820
|
1.640
|
1.230
|
2.460
|
1.640
|
3.280
|
2.050
|
4.100
|
2.460
|
4.920
|
|
出油口数
|
2
|
1
|
2
|
1
|
2
|
1
|
2
|
1
|
2
|
1
|
2
|
1
|
|
最高压力
|
21Mpa 10Mpa
|
|
适用介质为锥入度不低于265(25℃,150g)1/10mm的润滑脂或粘度等级大于N120的润滑油:
适用环境温度为-10℃~80℃。 |
| |
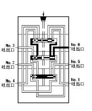
| 三、动作说明 |
| 1、通过润滑泵加压送出的润滑剂,经供给口流入按图示箭头方向分别推动活塞A、B、C 动作。此时活塞A、B左腔在油压的作用下处在右位不动,活塞C右腔进入压力,油开始向左移动。 |
|
| 2、流入的润滑剂推动活塞C向左移动,左腔的润滑剂压向NO.1吐出口经外部配管送向润滑点。当活塞C运动至左极限时活塞B右腔开始进入润滑剂。 |
|
| 3、流入的润滑剂推动活塞B向左移动,左腔的润滑剂压向NO.2吐出口经外部配管送向润滑点。当活塞B运动至左极限时活塞A 右腔开始进入润滑剂。 |
|
| 4、流入的润滑剂推动活塞A向左移动、左腔的润滑剂压向NO.3吐出口经外部配管送向润滑点。当活塞A运动至左极限时活塞C右腔开始进入润滑剂。 |
|
5、流入的润滑剂推动活塞C向右移动、右腔的润滑剂压向NO.4吐出口经外部配管送向润滑点。当活塞C运动至右极限时活塞B左腔开始进入润滑剂。
|
|
6、流入的润滑剂推动活塞B向右运动、右腔的润滑剂压向NO.5吐出口,经外部配管送向润滑点。当活塞B移动到至右极限时活塞A左腔开始进入润滑剂。
|
|
| 7、流入的润滑剂推动活塞A 向右运动、右腔的润滑剂压向NO.6吐出口,经外部配管送向润滑点。当活塞A移动到至右极限时返回到初始1状态,继续重复上述动作。 |
|
|
| |
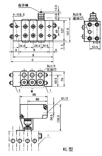
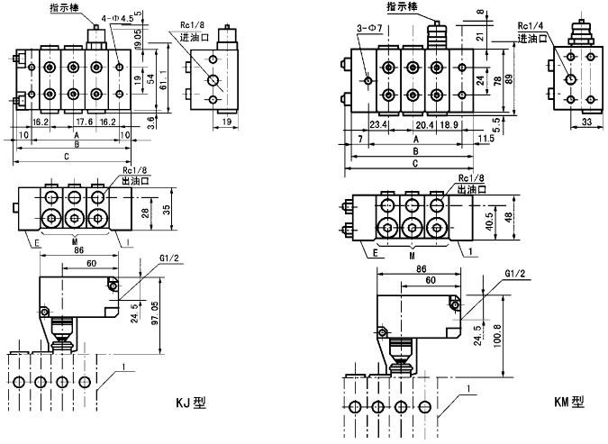
| 四、外形尺寸 |
|
|
|
|
KJ-*不带循环指示器和循环开关时尺寸参数表
|
|
形式
|
组合片数
|
A
|
B
|
C
|
供给口径
|
吐出口径
|
最大吐出口数
|
重量kg
|
|
L
|
M
|
E
|
|
KJ-3
|
1
|
3
|
1
|
67.6
|
87.6
|
91.1
|
Rc1/8
|
Rc1/8
|
6
|
1.3
|
|
KJ-4
|
1
|
4
|
1
|
85.2
|
105.2
|
108.7
|
8
|
1.5
|
|
KJ-5
|
1
|
5
|
1
|
102.8
|
122.8
|
126.3
|
10
|
1.8
|
|
KJ-6
|
1
|
6
|
1
|
120.4
|
140.4
|
143.9
|
12
|
2.0
|
|
KJ-7
|
1
|
7
|
1
|
138
|
158
|
161.5
|
14
|
2.3
|
|
KJ-8
|
1
|
8
|
1
|
155.6
|
175.6
|
179.1
|
16
|
2.5
|
|
| |
|
KM-*不带循环指示器和循环开关时尺寸参数表
|
|
形式
|
组合片数
|
A
|
B
|
C
|
供给口径
|
吐出口径
|
最大吐出口数
|
重量kg
|
|
L
|
M
|
E
|
|
KM-3
|
1
|
3
|
1
|
83.1
|
101.1
|
112
|
Rc1/8
|
Rc1/8
|
6
|
2.9
|
|
KM-4
|
1
|
4
|
1
|
103.5
|
122
|
133
|
8
|
3.5
|
|
KM-5
|
1
|
5
|
1
|
123.9
|
142.4
|
153
|
10
|
4.0
|
|
KM-6
|
1
|
6
|
1
|
144.3
|
162.8
|
173
|
12
|
4.6
|
|
KM-7
|
1
|
7
|
1
|
164.7
|
183.2
|
194
|
14
|
5.2
|
|
KM-8
|
1
|
8
|
1
|
185.1
|
203.6
|
214
|
16
|
5.7
|
|
| |
|
KL-*不带循环指示器和循环开关时尺寸参数表
|
|
形式
|
组合片数
|
A
|
B
|
C
|
供给口径
|
吐出口径
|
最大吐出口数
|
重量kg
|
|
L
|
M
|
E
|
|
KL-3
|
1
|
3
|
1
|
125.6
|
141.6
|
168
|
Rc3/8
|
Rc1/4
|
6
|
11.1
|
|
KL-4
|
1
|
4
|
1
|
154
|
170
|
196
|
8
|
13.3
|
|
KL-5
|
1
|
5
|
1
|
182.4
|
198.4
|
225
|
10
|
15.5
|
|
KL-6
|
1
|
6
|
1
|
210.8
|
226.8
|
253
|
12
|
17.7
|
|
KL-7
|
1
|
7
|
1
|
239.2
|
255.2
|
282
|
14
|
19.9
|
|
KL-8
|
1
|
8
|
1
|
267.6
|
283.6
|
310
|
16
|
22.1
|
|
| |
| 五、型号说明 |
 |
| |
六、超压指示器
安装于分配器的预备出口,当润滑点或管路阻塞时,压力升高超过规定值时,指示器外部稍伸出。通过系统发出的故障信号,现场查找指示器有否伸出就可直接查到所阻塞的部位。 |
|
七、溢流指示器
安装于环境恶劣易发生阻塞部位的各分配器预备出口上,当润滑点或管路阻塞时,压力异常升高超过规定值时,分配器被阻塞点的所供脂从溢流口向外溢出,经查看溢流点即为被阻塞的故障点。
只适用于连续作业部位,不许影响其它分配器动作的场合。
吐出口标记说明:
T:为基本标准型,有二个出口分别从中
间体二侧出油。
S:只有一个出口(T 型二出口相通),油
量是T 型的二倍,左侧或右侧出油均可。
LC:没有左出口,从进油方向看左侧出口
与邻接的后一片出口合并油量。
RC:没有右出口,从进油方向看右侧出口
与邻接的后一片出口合并油量。
2C:没有出口,左右出口均与邻接的后一
片出口合并油量。 |
| |
八、订货须知
订货时用完整的型号订购并提供联接示意图。
例:KM-3(15T+25T2C+30S)R |
 |